同步帶輪配套服務需知
同步帶輪配合同步帶的使用,為現代化設備實現遠距離傳送動力或者輸送產品提供了高精度、低噪音、維護少、效率高和傳動可靠的傳動方案。
為方便客戶在這方面進行采購,我司在銷售各類優質工業皮帶的同時,也專門為客戶提供訂做的同步帶輪配套服務。在保證同步帶輪與所選同步皮帶在齒形上吻合的基礎上,我們能夠根據客戶提供的圖紙生產出各式各樣滿足戶需要的同步帶輪產品。而且我們在這方面會有經驗豐富的工程師來跟進整個過程,如發現圖紙有不合理的地方會在生產前向客戶及時地反映,并提出改善方案,務求使客戶省心。
對于剛剛接觸同步帶輪傳動的客戶,可能對其認識不深,我司有專門的同步帶輪產品目錄資料供大家免費下載參考。里面所述的都是一般常用同步帶輪的經典樣式與尺寸,涵蓋的齒型從英制齒、梯形齒、圓弧齒、齒板到齒棒,己能滿足大部分客戶使用要求。如客戶選好資料上的同步帶輪樣式與尺寸,只需提供如下信息即可(我們會根據客戶提供信息出圖,供客戶核實):
①同步帶輪款式代號:如AF型、A型、BF型、B型等
②材質(常用的是45號鋼和鋁件)
③齒形(與配合使用的皮帶齒形一致)
④齒數
⑤配合使用的皮帶寬度
⑥中心孔直徑
⑦中心孔是否帶鍵槽
⑧同步帶輪兩側是否用到擋圈(又稱為法蘭)防止皮帶脫落
⑨表面處理(如果是鋼件一般需要發黑,如果是鋁件一般不需處理)
⑩數量(數量大的話,相應價格會便宜)
如有疑問,下面舉例說明每個項目:
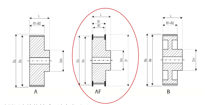
①同步帶輪款式代號
按設備實際需要,A型為無擋圈款式、A「型為帶擋圈款式、B型為無擋圈并開設了兩個減輕槽來減輕重量(一般為同步帶輪直徑較大時才使用)
如客戶想選用紅圈的款式,請記錄其款式代號為:AF
②選用同步帶輪的材質,請參考以下:
A:同步帶輪常用材料分別為:
鋁合金(LY22或6028):質量輕(適合高),防銹,價格較45鋼貴
鋼(45鋼):齒面強度高不易損壞、質量重,防銹需表面處理(一般為表面發黑)
灰鑄鐵(HT250):輪子尺寸很大時使用,生產時需額外做模具鑄造成型,吸震性好
黃銅:較少用,機械性與耐磨性很好
塑料(尼龍):較少用,質量輕,耐磨,自潤滑
(除了鑄鐵材質較少做外,其余材質均能生產。有特殊要求時,請聯系時說明。)
③同步帶輪齒形(與配合使用的皮帶齒形一致)
同步帶輪的齒型選擇是根據客戶所選用的同步皮帶齒型來定的,而客戶在選用同步皮帶齒型時,除了根據別人己經研發成功的設備作為參考外,還有沒有別的簡單而準確的方法呢?以下,簡單舉例說明其中的一種方法:
A.首先,開口帶的選型主要看兩個參數:功率和轉速。
如下圖所示,縱坐標表示電機功率(單位:千瓦),橫坐標表示電機轉速(單位:每分鐘轉的圈數)。每款皮帶所適用的功率與轉速都用曲線畫出了
如果客戶設備是500轉/分鐘,所用功率在1千瓦以下,那么根據這兩個坐標相交的情況,可以從下圖看出,可以選用T5, XL和RPPS三種類型。
圖1節選自我司的無接駁帶資料
B.當跟據設備功率與轉速選定了皮帶的類型后,下一步就是要給皮帶選擇適當的寬度。皮帶寬度選擇主要是看一個參數:拉力(或說是負載)大小
下圖是各種類型的皮帶寬度,與對應的拉力大小綜合圖。縱坐標表示皮帶寬度,橫坐標表示相應拉力大小。
圖2節選自我司的無接駁帶資料
④同步帶輪齒數選擇
與同步帶使用的同步帶輪一般有兩個,一個為主動輪(連接電機馬達主軸),另一個為從動輪(連動力輸出軸)。而這兩個同步帶輪的齒數,主要是根據設備設計的傳動比來定的。
旋轉比=大帶輪齒數/小帶輪齒數
在選定小帶輪齒數時,受每款皮帶的最小折彎半徑限制,小帶輪齒數有最少數量限制【參考同步帶工程參數】
⑤配合使用的皮帶寬度
請根據設備設計拉力與我司的皮帶拉力表,去選擇相應皮帶寬度,皮帶越寬其拉力越大。
⑥同步帶輪的中心孔直徑
請按照設備上安裝同步帶輪的軸的直徑大小來確定此孔的大小。
⑦同步帶輪中心孔是否帶鍵槽
如同步帶輪是需要連接電機馬達或者用作驅動源的話,此時為了能傳遞盡量大的動力,建議此同步帶輪需要在中心孔處開設一個鍵槽,以避免同步帶輪與其安裝軸之間的打滑。(具體槽的尺寸請根據設備實際情況,然后再參考國標GB/T1095-2003決定)
⑧同步帶輪兩側是否用到擋圈(又稱為法蘭)防止皮帶脫落
由于同步帶輪的安裝軸在實際安裝過程中,很容易會使兩個同步帶輪的兩條安裝軸彼此間弄得不平行。因此同步帶在運行過程中,很可能會出現往擋圈一邊偏移的現象。而在同步帶輪的兩側都加上擋圈,能有效防止皮帶因偏移而脫落。其實,皮帶的偏移問題,是能夠通過調節安裝軸的平行度來解決的,如果偏移過于嚴重,一方面會使皮帶接觸擋圈的一側磨損,減少皮帶壽命;另一方面會引起噪音與皮帶振動。這方面希望客戶能有足夠的重視。
⑨同步帶輪的表面處理(除鍍硬鉻外,以下熱處理我司均能提供)
表面處理是在基體材料表面上人工形成一層與基體的機械、物理和化學性能不同的表層的工藝方法。目的是滿足產品的耐蝕性、耐磨性、裝飾或其他特種功能要求。
⑩訂購同步帶輪數量
由于加工不同齒形與齒數的同步帶輪時,都要花費大量時間進行設備調整,因此這部分的加工成本較重。如同款同步帶輪生產數量較大,則能分攤這部分的加工費用。因此,鼓勵客戶在詢價時說明計劃的訂購數量情況。如有量購計劃,但由于不放心想購入幾個作為樣本做試驗。只要客戶說明情況,我司定必以最優惠的價格與貨期,給客戶提供方便。
iHF齒輪22年只做一件事精密齒輪制造—同步帶輪—同步帶,生產廠家標準件大量庫存當天發貨價格優質保障,集研發.生產.服務一體化,版權所有:http://www.dell-pc.org.cn轉載請注明出處
- 同步帶輪配套服務需知
- 【厲害了】小齒輪助力高科技,新時代譜寫新輝煌
- 同步帶廠家講解同步帶的常見問題及解決方法
- 專業知識:詳解齒輪接觸疲勞之“點蝕”
- 深圳齒輪廠家告訴你影響齒輪齒輪潤滑的因素
- 深圳齒輪定制如何減少齒輪變形和開裂
- 同步帶輪的優點及工作原理
- 深圳同步帶輪品牌生產廠家教您讓傳動更高效的方法
- 企業如何選擇同步輪品牌廠家?
- 同步帶輪品牌和雜牌的區別
聯系iHF齒輪
18929357195
售后電話:0755-27746221
客服QQ:2850623673
郵箱:2850623673@qq.com
地址:深圳市龍華新區大浪創藝路16號安宏基工業園C棟



